Product information
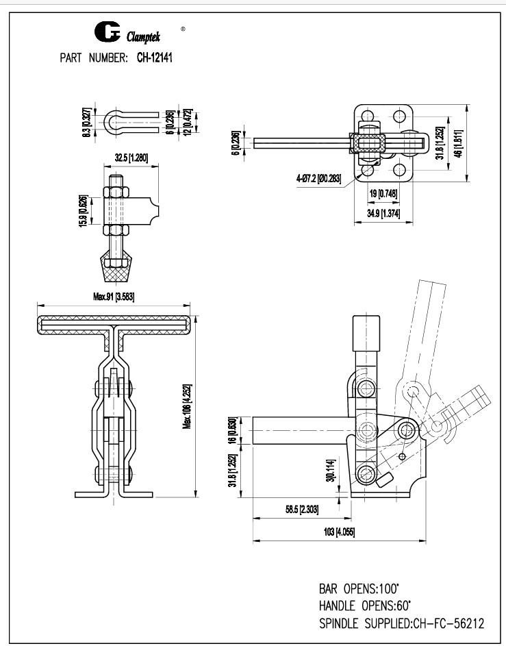
CH-12141 toggle clamp is a quick-release clamp with a vertical jaw, used in jig and fixture systems and manufacturing workshops.

CH toggle clamp specifications:
– Model: CH-12141
– Product Information:
+ PDF drawing download here
+ CAD dwg
+ File step 3D
Applications of CH toggle clamps in industrial manufacturing:
– Used in assembly lines for trucks, motorcycle and bicycle workshops, and electronic component manufacturing.
– Used in workshops for clamping and assembling molds.
– Used in workshops for manufacturing wood clamps and changing the clamping direction of products.
– Used in CNC machining workshops for metal cutting.

