Thông tin sản phẩm
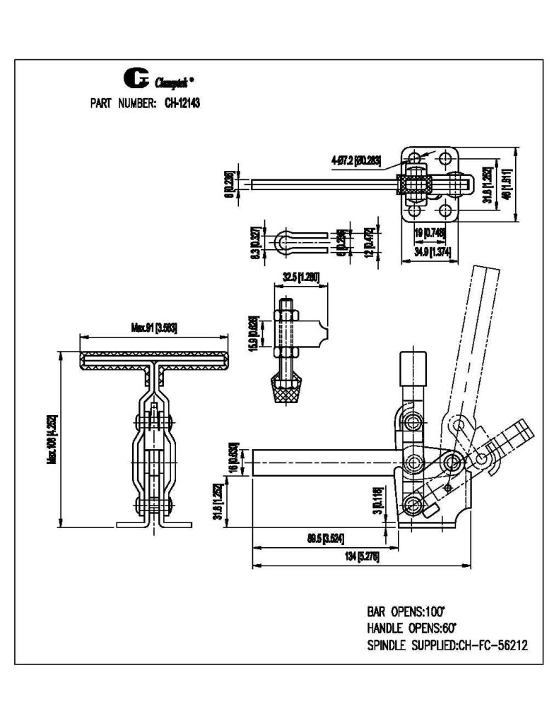
Cam kẹp định vị đứng CH-12143 là loại kẹp gạt nhanh dạng đứng dùng để cố định phôi/chi tiết trong quá trình gia công, lắp ráp, hàn hoặc kiểm tra. Nhờ cơ cấu khóa gạt, kẹp giúp giữ chắc và lặp lại vị trí ổn định, giảm thời gian thao tác so với kẹp truyền thống. Điểm nổi bật của series này là lực kẹp lên đến 227 kg, phù hợp cho các ứng dụng cần độ chắc chắn cao. Thiết kế cho phép góc mở thanh kẹp 100° giúp đặt/lấy phôi thuận tiện, đồng thời góc mở tay cầm 60° tạo thao tác gạt nhanh, gọn và an toàn trong không gian làm việc.

Thông số kĩ thuật kẹp CH:
Tên sản phẩm: CH-12143
– Bản vẽ PDF: tải xuống tại đây
– Bản vẽ CAD dwg
– File step 3D
Vật liệu: Thép
Lực kẹp: 227Kg
Góc độ mở thanh kẹp:100°
Góc độ mở tay cầm: 60°
Mã ốc vít đầu kẹp: CH-FC-56212
Trọng lượng: 375g

