Product information
CH10488-Z toggle clamp is a quick-release clamp with a vertical jaw, used in jig and fixture systems and manufacturing workshops.

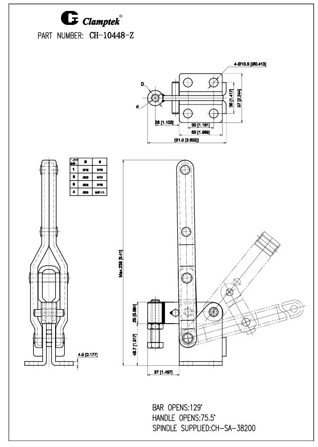
CH toggle clamp specifications:
– Model: CH-10448-Z
– Product Information:
+ PDF drawings download here
+ File step 3D
Applications of CH toggle clamps in industrial manufacturing:
– Used in workshops for clamping and assembling molds.
– Used in workshops for manufacturing wood clamps and changing the clamping direction of products.
– Used in CNC machining workshops for metal cutting.

